OpAmp (Operational Amplifier)

Afbeelding 1
Een OpAmp (Operational Amplifier) zoals bijv. de μA741 (zie tekening 1) heeft een inverterende ingang (in het schema aangeduid met een minteken) en een niet-inverterende ingang (in het schema aangeduid met een plusteken, zie tekening 2). De OpAmp heeft de eigenschap dat hij het verschil tussen de spanningen op zijn ingangs-pinnen als uitgangsspanning zal willen geven (de uitgangsspanning kan uiteraard echter niet hoger dan de voedingsspanning worden). De spanning op de inverterende ingang, zal geïnverteerd naar buiten gebracht worden.

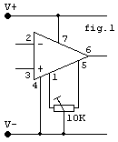
Afbeelding 2
Om de uitgangsspanning precies op nul volt af te kunnen regelen, (wanneer de beide ingangen op gelijk potentiaal staan), zijn de offset-ingangen aanwezig. Door middel van een potentiometer kunnen we de uitgang precies op nul instellen (zie schema 2). Een zeer bekende OpAmp is de μA741. Kijk voor de zekerheid even op: http://www.datasheetcatalog.com of op: http://www.alldatasheet.com voor de specificaties. Er zijn namelijk typen voor max. 18 volt en voor max. 22 volt!